SERVICIOS Y ÁREAS DE ACTIVIDAD

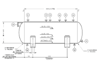
Nuestros servicios se dirigen a los diferentes sectores de la industria y de la energía en los que desarrollamos las actividades de fabricación y/o montaje de estructuras metálicas, tuberías, calderería así como de mantenimiento industrial. Nuestro equipo de profesionales está especializado en la realización de todo tipo de soldaduras en acero al carbono, inoxidable o aleado así como cualquier clase de montaje mecánico.

Este sitio web puede utilizar algunas "cookies" para mejorar su experiencia de navegación. Por favor, antes de continuar con su navegación por nuestro sitio web, le recomendamos que lea la POLÍTICA DE COOKIES.